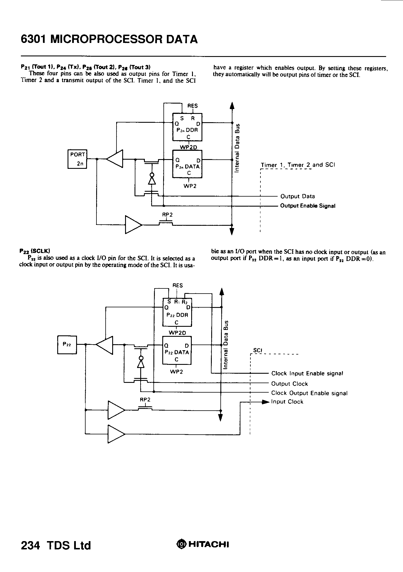
 |
MICROPROCESSOR DATA
Page 13
HD63B01Y0 microprocessor data
Click the diagram for more detail, or to save a copy: 1. in Internet Explorer right click on the picture and select "Save Target as..." 2. in Netscape double-click the picture to open the file, then under "File" select the "Save As" option.
|
 |