TDS9092 FORTH CHIPS
The integrated circuits are manufactured by Hitachi and MCE
(division of Smiths Industries) as custom chips for Triangle Digital Support
Ltd. They are the basis of the TDS9092 computer but are also available to systems
integrators for use in other embedded systems.
MINIMUM CHIP SET
Just four chips and some passive components are needed. A system
must have one of each of the chips described below. The first two are available
from Triangle Digital Support Ltd., the others are available on the open market,
or can be supplied.
 |
FORTHCHIPS9092
|
q 63B01Y0FP Microprocessor featuring masked
Forth, symbolic assembler, event-driven multitasking, time of day clock, full-screen
editor and interrupt support in Forth or assembler. There are drivers for I2C
bus, alphanumeric LCDs, parallel ports, two serial ports, watchdog timer, keyboard
and low power modes. The Forth is an extended version with extensive 32-bit
arithmetic, trigonometry and real-time speed measurement functions.
q TDS9 Gate Array providing 16 extra parallel
ports (35 in total). There is hardware support for the keyboard scanning routines
and LCD drivers in the microprocessor. A watchdog timer brings the system back
into the application program in case of a crash. Chip selects are provided for
external RAM and PROM (see below). In addition there are spare decoded address
lines for directly adding other peripherals such as A to D converters.
q RAM Any static RAM from 2K to 16K bytes
can be used (also 32K bytes but only half is used). Suitable types are 6264,
62256 or equivalent. 1K bytes of this RAM are needed for system stacks and housekeeping.
The rest is free for use by your application.
q PROM Any PROM from 2K to 32K bytes is
suitable. For instance 27C64, 27C128 or 27C256. This PROM holds the application
program which you write in Forth and/or assembler for your embedded system.
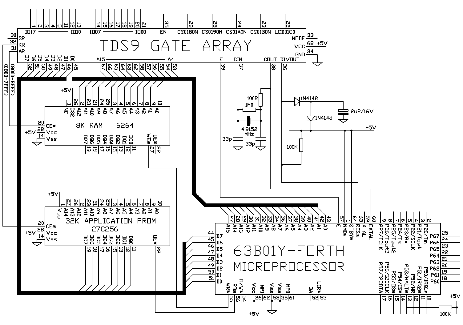
TDS9092 Forth Chips minimum system
Click the diagram for more detail, or to save a copy: 1. in Internet Explorer right click on the picture and select "Save Target as..." 2. in Netscape double-click the picture to open the file, then under "File" select the "Save As" option.
SOFTWARE DEVELOPMENT
The development system for this chip set is the TDS9092 computer.
No cross-compiler or assembler is needed. All debugging facilities are present
so an In Circuit Emulator (ICE) is not required. The only equipment needed is
a PROM programmer and a PC or equivalent. The PROM produced on the TDS9092 card
will also work as one of the four chips in the set.
The TDS9092 is available in quantity at competitive prices.
This might avoid the need for you to use Forth chips, ask for a quotation.
EXTENSIONS
With a little extra logic several megabytes of RAM for data
storage can be added. Peripherals can usually be added without any interface
logic at all. For instance connect A to D chips, serial line drivers,
graphics or character LCDs, matrix keyboards, serial or Centronic printers etc.
Control lines for both Intel-style and Motorola-style chips are provided so
you can work with microprocessor accessory integrated circuits which you already
know.
The I2C bus provides a serial interface to all kinds
of low cost EEPROM, clock, A to D / D to A, and relay driver chips.
The development system includes a library of useful utility
routines ready for use in applications. For example graph-drawing for graphics
LCDs, stepper motor drivers and frequency measurement. A full floating point
package is available.
ORDERING INFORMATION
It is unlikely that use of Forth Chips will be cost effective
in quantities under 500 sets. Use the complete TDS9092 computer unless you have
a special requirement for small space or an unusually shaped printed circuit
board.
You need four chips to make a system, this must include one
TDS9 Gate Array, one 63B01Y0FP microprocessor, one RAM and one PROM. We supply
the first two but can also quote on other parts needed. Prices are negotiated
against individual requirements and we offer flexible contracts where you cannot
be sure yet of the total quantity involved.
If the need exceeds 5000 per year we can probably reduce your
application PROM and the Forth in ROM to give a consolidated program for masking
into a single chip to give even lower costs. The TDS9092 system is continuous
from single unit quantities to large volume consumer uses, as the diagram illustrates;
you don't have any major redesign as the quantity grows.
 |
No major redesign as the quantity grows
|
|