Go to Triangle Digital Support Home Page TDS9092 TECHNICAL MANUAL
Introduction
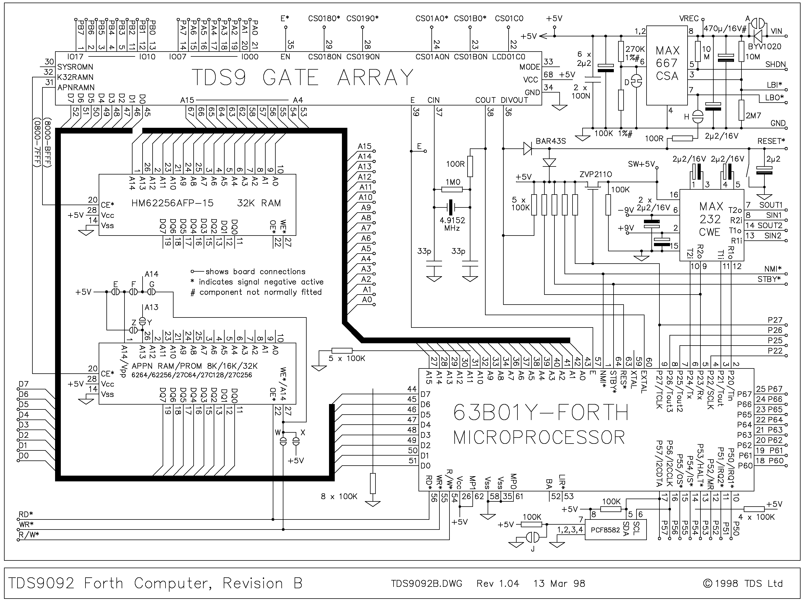
Circuit diagram
Live website search
Enter key words
 
  

CIRCUIT DIAGRAM

TDS9092 circuit diagram
Go to Triangle Digital Support Home Page Go to top   Next page