Go to Triangle Digital Support Home Page TDS2020F TECHNICAL MANUAL
TDS2020F Forth chips
 
Live website search
Enter key words
 

FORTH CHIPS

OVERVIEW

As well as forming the basis of the TDS2020F computer, the microprocessor and gate array are also available as a chip set for use in other embedded systems (order code FORTHCHIPS2020). Made by Hitachi and MCE (division of Smiths Industries) respectively, the microprocessor contains Forth and symbolic assembler, the gate array extra parallel ports, keyboard scanning facility, watchdog timer, PROM and RAM chip selects and spare address decodes including those for liquid crystal displays.

16-bit Forth chip set FORTHCHIPS2020

16-bit Forth chip set FORTHCHIPS2020


MINIMUM CONFIGURATION

PARTS NEEDED

To build a minimum system you need FORTHCHIPS2020, a Flash-EEPROM or PROM, some logic gates and a few passive components. All additional parts are available from us, or on the open market. The chips for a minimum system are described below:

 

q       H8/532 Microprocessor has 8 general purpose 16-bit registers, hardware multiply and divide and runs at 19.6608MHz. It has four counter-timers and a prioritised interrupt system. The interactive Forth language includes pre-emptive multitasking, 155�A data logging, PCMCIA and hard disk support. There are drivers for I2C bus, LCDs, parallel ports, two serial ports, watchdog timer, keyboard and low power modes.

q       TDS9 Gate Array provides 16 extra parallel ports. There is hardware support for the keyboard scanning routines and LCD drivers in the microprocessor. A watchdog timer brings the system back into the application program in case of a crash. Chip selects are provided for external RAM and Flash-EEPROM or PROM. In addition there are spare decoded address lines for directly adding other peripherals.

q       Flash-EEPROM or PROM A Xicor 28HC256 or 32k byte PROM is suitable. It holds the application program, which you write in Forth and/or assembler for your embedded system. This chip is not strictly necessary, as application code can be blown into the H8/532's internal PROM.

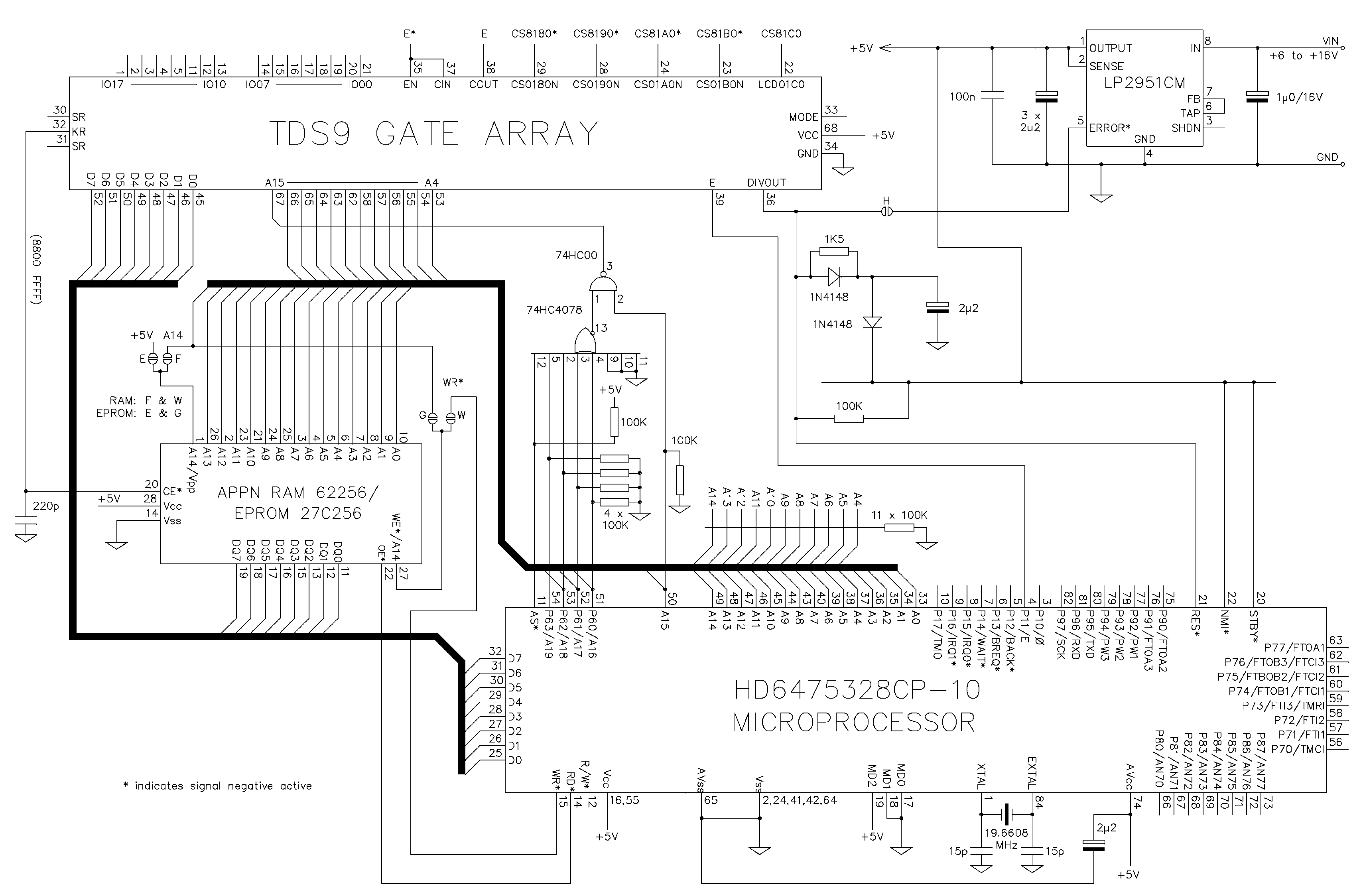
MINIMUM SYSTEM CIRCUIT DIAGRAM

FORTHCHIPS2020 minimum circuit

FORTHCHIPS2020 minimum circuit
Click the diagram for more detail, or to save a copy:
1. in Internet Explorer right click on the picture and select "Save Target as..."
2. in Netscape double-click the picture to open the file, then under "File" select the "Save As" option.


The circuit diagram shows a suggested minimum system based on the FORTHCHIPS2020 chip set. An LP2951CM regulator is included as a means of providing a suitable +5V supply.

SOFTWARE DEVELOPMENT

The development system for the chip set is the TDS2020F card computer. No cross-compiler or assembler is needed. All debugging facilities are present so an In Circuit Emulator (ICE) is not required. The only equipment needed is a PC. The Flash-EEPROM or PROM produced on the TDS2020F will also work with your chip set design.

EXTENSIONS

With a little extra logic several megabytes of RAM for data storage can be added.

Peripherals can usually be added without any interface logic at all. For instance connect A-D chips, serial line drivers, graphics or character LCDs, matrix keyboards, serial or parallel printers etc. Control lines for both Intel- and Motorola- style chips are provided so you can work with microprocessor accessory integrated circuits that you already know.

The I2C bus provides a serial interface to low-cost Flash-EEPROM, clock, A-D/D-A, and relay driver chips.

The development system includes a library of useful utility routines ready for use in applications. For example graph-drawing for graphics LCDs, stepper motor drivers and frequency measurement. A full floating point package is available.

ORDERING INFORMATION

Production ceased September 2008 following an announcement over three years earlier in May 2005. The web shop is now closed.

To satisfy essential repair requirements, small quantites, sometimes on extended lead times, are available. .

 

It is unlikely that use of Forth Chips will be cost-effective in quantities under 500 sets. Use the complete TDS2020F computer unless you have a special requirement for small space or an unusually shaped printed circuit board. The TDS2020F is available at particularly competitive prices when ordered in quantity-ask for a quotation.

The order code for the 16-bit chip set is FORTHCHIPS2020 comprising

 

q       one Hitachi H8/532 microprocessor

q       one TDS9 Gate Array

q       one licence to use the Forth system

 

As part of the licence you may also use

 

q       those parts of the TDS2020F circuit diagram which are useful in your application

q       those parts of the TDS2020F printed circuit layout which are useful in your application

q       any of the library routines provided with the TDS2020F

 

Also available is FORTHCHIPS9092, an 8-bit chip set based on the microprocessor and gate array from the TDS9092 computer. It offers many of the features of FORTHCHIPS2020 but at a lower cost. Ask for the Forth Chips data sheet.

We can quote on any additional parts needed. Prices are negotiated against individual requirements and we offer flexible contracts in instances where you cannot be sure yet of the total quantity involved.

If the need exceeds 5000 chip sets per year we can probably reduce your application PROM and the Forth in ROM to give a consolidated program for masking into a single chip to give even lower costs. The TDS2020F system is continuous from single unit quantities to large volume consumer uses. As the diagram shows, you don't have any major redesign as the quantity grows.

The TDS2020F changes as your quantity grows

The TDS2020F changes as your quantity grows

Go to Triangle Digital Support Home Page Go to top   Next page