Go to Triangle Digital Support Home Page TDS2020F TECHNICAL MANUAL
Hardware expansion
Quad and dual serial ports
Live website search
Enter key words
 

QUAD & DUAL SERIAL PORTS

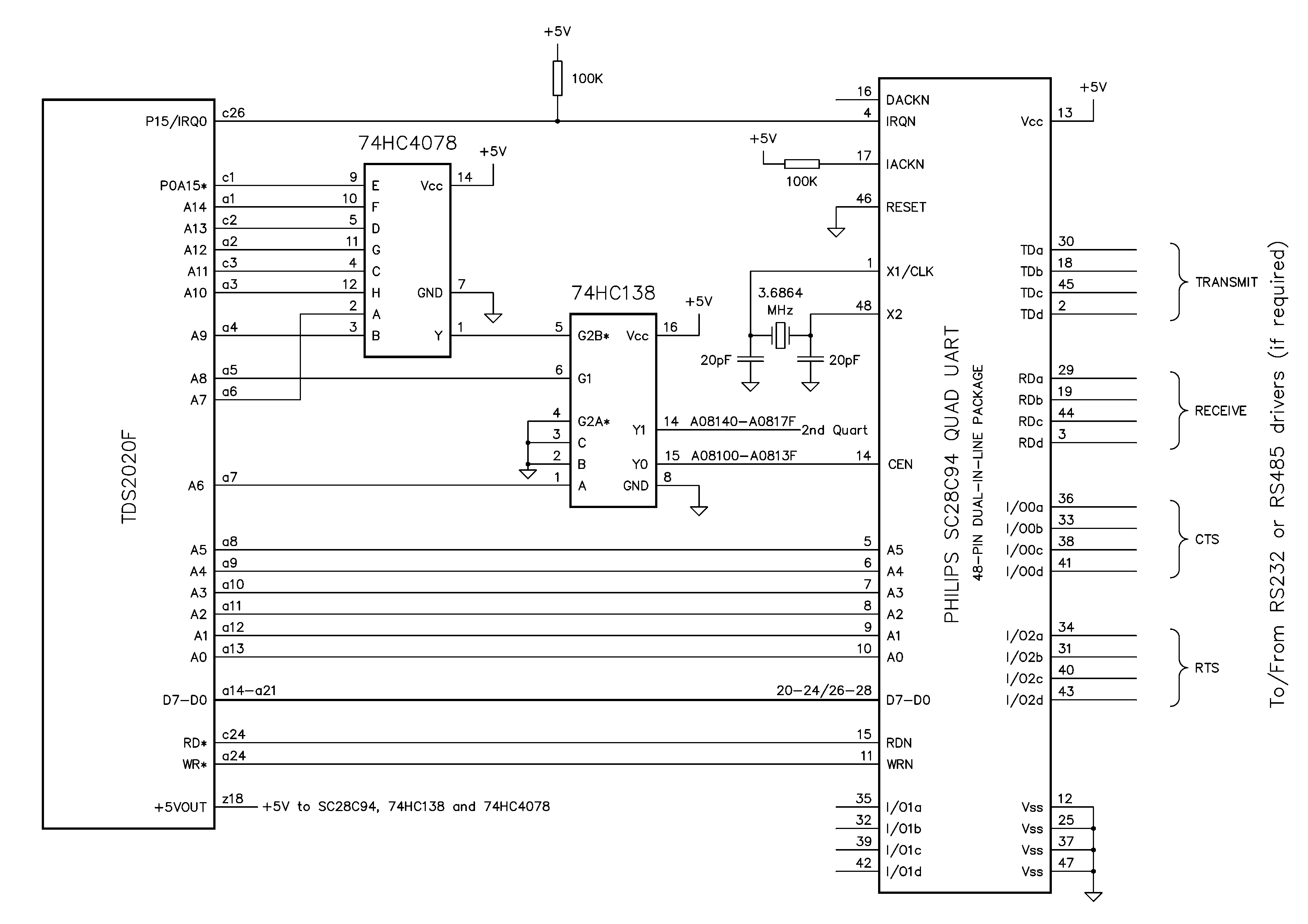
DESCRIPTION

Add four extra serial ports to a TDS2020F in addition to the two already present. The SC28C94 quad serial port UART chip from Philips/Signetics is supported by file #QUART.TDS. Use the SC26C92 chip and file #DUART.TDS to add only to serial ports.

The ports can be RS232, RS485 or RS422 depending on which driver chips are added. Full CTS and RTS hardware handshaking is available. There is a buffer of 8 bytes on each of the four transmitters and on receive a circular buffer that is user defined-nominally 82 bytes. All four receivers and transmitters can be used simultaneously in real-time applications. Baud rates from 50 to 38,400 are available.  Interactive Forth can be redirected to any port and that can be used for further compilation if required.

Adding four extra serial ports

Adding four extra serial ports
Click the diagram for more detail, or to save a copy:
1. in Internet Explorer right click on the picture and select "Save Target as..."
2. in Netscape double-click the picture to open the file, then under "File" select the "Save As" option.


HARDWARE

The Quad UART (QUART) chip has four transmitters, four receivers and baud rate generators. Serial I/O is at +5V/0V logic levels and you need to add driver chips like the MAX238 from Maxim. For each of the four serial ports two input and two output driver gates are needed if full hardware handshaking is required. Each MAX238 has four of each so two of these chips will suffice in a substantial RS232 implementation. In addition two 74HC gate chips are needed for address decoding. A suitable circuit is shown here. Tie the 74HC138 inputs A B & C to ground and its pin 15 output will be a suitable chip select for the QUART, being enabled for the address range 08100 to 0813F.

RESOURCES USED

Interrupt request line 0 (IRQ0 on Port 1 bit 5, pin c26) is used as a common interrupt for all four receiving UARTs. The QUART occupies 64 bytes of memory space. The areas hex 08000-813F and 08200-087FF on TDS2020F are available for such external peripherals. No other I/O lines are needed.

SOFTWARE

Extended Memory is used by #QUART.TDS for all variables and the four receive buffers. You need a RAM chip in the 32-pin socket. Data is accepted under interrupt. Characters will not be missed at 38,400 baud, even when the Forth program is busy doing other work. Received characters are stored in a circular buffer until needed. Adjust QBAG to set the position of the input buffer in RAM and QBAG-SIZE to fix the total length of the four buffers. Each buffer should be made long enough to accept serial input for the time that the processor may be away doing other things, for example writing to a PCMCIA hard disk.

The word QSHELTER should be used for initialisation in the word executed at power-up.

The address of the QUART in the memory space can be changed by editing the constant QBASE .

The naming of the I/O words follows the pattern of other serial ports, but each takes a parameter to specify the channel in the QUART. For example 2 [QKEY]  waits for a byte to be input on channel 2. Note that the software names the channels 0 to 3 but the chip data sheet calls them by letters A to D.

There is no problem to use #QUART.TDS in conjunction with these files:

 

#CARD.TDS

RAM Card Memory without DOS format.

#DOSRAM.TDS

RAM Card Memory with DOS format.

#CARDHD.TDS

PCMCIA-ATA hard disk or Flash cards without DOS format

#DOSHD.TDS

PCMCIA-ATA hard disk or Flash cards with DOS format

#DOSDUAL.TDS

hard disk/Flash cards with fast interrupt data logging

 

However you may need to alter the position where extended memory variables are put. This is done by editing the included file #EXTVAR.TDS.

INSTRUCTIONS FOR USE

1.       Construct the circuit shown (also available as file #QUART.GIF on the CD in the directory \cd).

2.       Edit the constant QBASE if the location in the memory map has been changed from the default hex 08100.

3.       Edit the constant QBAG-SIZE to four times the longest burst of incoming data, 82 bytes for each of the four buffers by default.

4.       Edit QBAUD , deleting lines corresponding to unused baud rates.

5.       If you want full CTS/RTS handshaking, in QSHELTER , seven code lines from the end, change $07 SWAP PC! to $17 SWAP PC!

6.       For demonstration and test connect a terminal to the TDS2020F Port 1 (as used for compilation) and another to quad UART Port 0. TDS-PC for Windows is suitable for both ends.

7.       Compile file #QUART.TDS type SET START then Q2WAY return. When you type on one terminal the text will display on the other. Stop the test by pressing ctrl+C on the TDS2020F Port 1 terminal.

Go to Triangle Digital Support Home Page Go to top   Next page