 |
EXTENDING THE BUS
The TDS2020F data
bus carries 100ns digital signals and should not be led more than 300mm
(12 inches) from the computer. This is only a guideline because degradation
of signal edges caused by capacitance will depend on the particular ribbon
cable used. However some applications need a display and keyboard remote from
the TDS2020F, for example where they
are on an operator's control panel and the computer is closer to the point of
control.
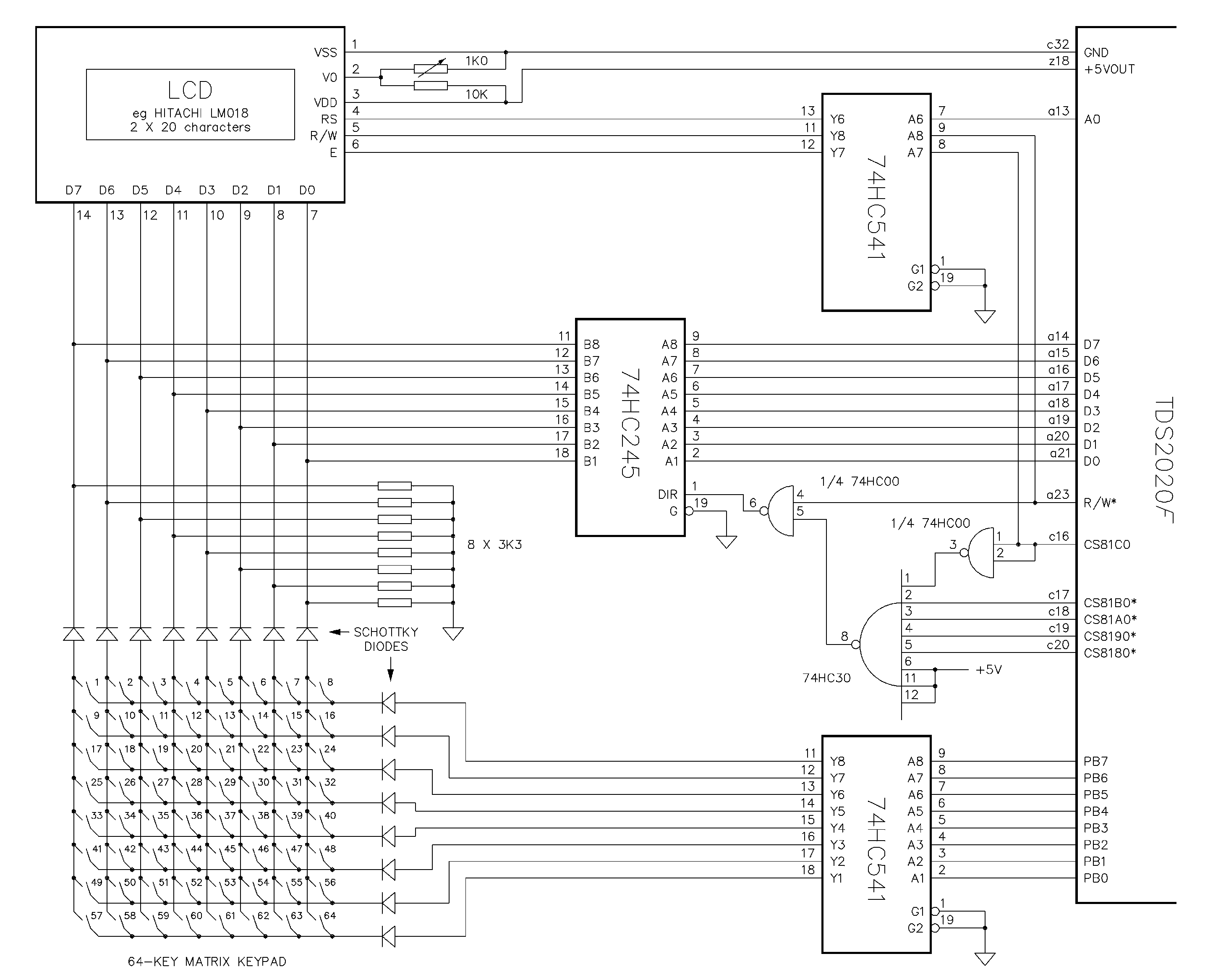
Extending the bus Click the diagram for more detail, or to save a copy: 1. in Internet Explorer right click on the picture and select "Save Target as..." 2. in Netscape double-click the picture to open the file, then under "File" select the "Save As" option.
The diagram shows how the data bus, Port B and other
lines can be buffered. Use good shielding to contain the increased
electromagnetic radiation. A character LCD is shown but you can use the same
principles to make a circuit for graphics types.
|
 |